TB-9-2320-302-13-P-2

CREW PROTECTION KIT PART 2 OF 3

TECHNICAL BULLETIN; OPERATOR'S, UNIT AND DIRECT SUPPORT, MAINTENANCE MANUAL, INSTALLATION INSTRUCTIONS AND REPAIR PARTS AND SPECIAL TOOLS LIST

JUNE 2007

  TB-9-2320-302-13-P-2 - Page 373 of 396

0042 00
TB 9-2320-302-13&P-2
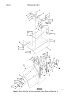
(1)
(2)
(3)
(4)
(5)
(6)
(7)
ITEM
SMR
PART
NO
CODE
NSN
CAGEC
NUMBER
DESCRIPTION AND USABLE ON CODES(UOC) QTY
GROUP 3307 SPECIAL PURPOSE KITS
FIG. 14 EXHAUST STACK BRACKETS
AND MOUNTING
1 PFOZZ 5305-00-071-2072 80204 B1821BH050C225N
SCREW,CAP,HEXAGON H.
................
4
2 PFOZZ 5310-00-809-5997 96906 MS27183-17
WASHER,FLAT.
........................
8
3 PAOZZ 2590-01-550-1773 3KHA7 110-170058-001
UPPER BRACKET, EXHA
UPPER BRACKET.
.
1
4 PAOZZ 2590-01-550-1778 3KHA7 110-170058-002
UPPER BRACKET, EXHA
UPPER AND LOWER
2
5 PFOZZ 5310-01-527-9522 81349 M45913/2-8CG8Z
NUT,SELF-LOCKING,HE.
................
4
6 PAOZZ 2590-01-550-1874 3KHA7 110-170057-001
LOWER BRACKET,EXHAU
LOWER BRACKET,
1
EXHAUST STACK.
......................
END OF FIGURE
14-1


Back to Top