TB-9-2510-251-13

TECHNICAL BULLETIN

OPERATOR AND FIELD MAINTENANCE; INSTALLATION MANUAL (INCLUDING REPAIR PARTS LIST); FOR ADD-ON-ARMOR (AoA) AIR CONDITIONING

AUGUST 2007

  TB-9-2510-251-13 - Page 390 of 624

SECTION II
TB
9-2510-251-13
136
1
2 thru 136
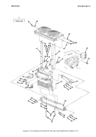
Figure 5. Air Conditioner Kit for M1037 Two-Door with GSIE Armor
(Sheet 7 of 7)
114
115 thru 136


Back to Top