TM-10-4930-247-13-P

HEMTT TANKER AIRCRAFT REFUELING SYSTEM MODEL HTARS100

TECHNICAL MANUAL; OPERATOR’S, UNIT AND DIRECT SUPPORT MAINTENANCE MANUAL INCLUDING REPAIR PARTS AND SPECIAL TOOLS LIST

FEBRUARY 1994

  TM-10-4930-247-13-P - Page 215 of 309

TM 10-4930-247-13&P
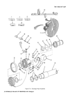
Figure C-4.
Recirculation Unit (Sheet 3 of 4)
Change 1
C-21


Back to Top