TM-5-2815-241-34-P

ENGINE, DIESEL NTC-290

TECHNICAL MANUAL; DIRECT SUPPORT AND GENERAL SUPPORT, MAINTENANCE (INCLUDING REPAIR PARTS AND SPECIAL TOOLS LIST)

MARCH 1987

  TM-5-2815-241-34-P - Page 531 of 738

SECTION II
TM 5-2815-241-34&P
(1)
ILLUS-
TRATION
(2)
(3)
(4)
(5)
(6)
(7)
(8)
QTY
(a)
FIG.
NO.
(b)
ITEM
NO.
SMR
CODE
NATIONAL
STOCK
NUMBER
FSCM
PART
NUMBER
DESCRIPTION
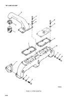
GROUP 03-FUEL SYSTEM
0301- FUEL INJECTOR
U/M
INC
USABLE
IN
ON
UNIT
CODE
22
1
PAFHH
15434
3018323
NOZZLE,FUEL INJECTI
EA
6
22
2
PAFZZ
15434
165006
.SCREW,CAP,HEXAGON H CLAMP MTG
EA
2
22
3
PAFZZ
15434
191218
.CLAMP
EA
1
22
4 PAHZZ
15434
191916
.PLUNGER,DETENT
EA
1
22
5 PAHZZ
15434
AR40065
.PARTS KIT,FUEL INJE
EA
1
22
6 PAHZZ
15434
167157
..BALL CHECK,FUEL INJ
EA
1
22
7 PAHZZ
15434
166009
.SPRING INJECTOR
EA
1
22
8 PAHZZ
15434
185139
.ADAPTER,INJECTOR
EA
1
22
9 PAHZZ
15434
174299
.CLIP,FILTER SCREEN
EA
1
22
10 PAHZZ
15434
174298
.STRAINER,ELEMENT,SE
EA
1
22
11 PAHZZ
96906
MS9241-024
.PACKING,PREFORMED PART OF KIT P/N 3801330
EA
1
22
12 PAHZZ
15434
193736
.GASKET PART OF KIT P/N 3801330
EA
2
22
13 PAHZZ
15434
203426
.PIN,SPIRAL
EA
2
22
14 PAHZZ
15434
3012537
.CUP,INJECTOR
EA
1
22
15 PAHZZ
15434
185138
.RETAINER,CUP
EA
1
C-59


Back to Top