TM-5-3805-254-34P

TRUCK, DUMP, 20 TON, 6X4, ON-OFF HIGHWAY 71,000 GVW

TECHNICAL MANUAL; DIRECT SUPPORT AND GENERAL SUPPORT MAINTENANCE REPAIR PARTS AND SPECIAL TOOLS LISTS

MARCH 1992

  TM-5-3805-254-34P - Page 292 of 633

SECTION II
TM5-3805-254-34P
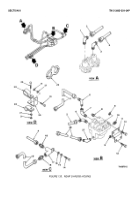
(1)
(2)
(3)
(4)
(5)
(6)
ITEM
SMR
PART
NO
CODE
CAGEC
NUMBER
DESCRIPTION AND USABLE ON CODES (UOC)
QTY
35
PAOZZ
96906
MS51968-5
NUT PLAIN HEXAGON.
............................................
2
36
PAOZZ
96906
MS27183-12
WASHER FLAT.
........................................................
2
37
MOOZZ 19207
417200C2-17
TUBE,NYLON MAKE FROM TUBE P/N.
...................
1
417200C2.
.................................................................
38
XDOZZ
89346
A040880036
HOSE,AIR AIR TANK TO ANCHOR FITTING.
..........
1
39
XDOZZ
89346
425859C1
FITTING,MANIFOLD LEFT .
......................................
1
40
XDOZZ
96906
MS51503A8Z
CONNECTOR TUBE.
................................................
2
41
XDDZZ
96906
MS51503A102
CONNECTOR .
..........................................................
1
42
PFOZZ
96906
MS39162-7
EL8OW,PIPE TO TUBE.
...........................................
1
43
PFOZZ
89346
444150
TEE PIPE.
.................................................................
2
44
XDOZZ
89346
312064C1
ELBOW FLARED.
.....................................................
1
END OF FIGURE
136-2


Back to Top