TM-5-3805-254-34P

TRUCK, DUMP, 20 TON, 6X4, ON-OFF HIGHWAY 71,000 GVW

TECHNICAL MANUAL; DIRECT SUPPORT AND GENERAL SUPPORT MAINTENANCE REPAIR PARTS AND SPECIAL TOOLS LISTS

MARCH 1992

  TM-5-3805-254-34P - Page 429 of 633

SECTION II
TM 5-3805-254-34P
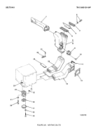
FIGURE 204.
WINDSHIELD WIPER HOSING.


Back to Top