Search for a specific FSG, FSC, CAGE code or PS Issue
The first 2 digits of the Federal Supply Classification Group (FSCG) is called the Federal Supply Group (FSG).
The last 2 digits of the Federal Supply Classification Group (FSCG) is called the Federal Supply Class (FSC).
An FSC Search is conducted with the full 4-digit FSCG number.
A Commercial and Government Entity (CAGE) Code is a five-digit alpha numeric identifier which is assigned to suppliers of various Governmental agencies.
The Preventive Maintenance Monthly is series of United States Army technical bulletins published since June 1951 as a monthly magazine with comic book-style art to illustrate proper preventive maintenance methods.
TELESCOPE MOUNT M146: M118A2 AND M118A3; TELESCOPE MOUNT M145: M145A1; PANORAMIC TELESCOPE: M117 AND M117A2; FIRE CONTROL QUADRANT: M15; PERISCOPE: M42
TECHNICAL MANUAL; DIRECT SUPPORT AND GENERAL SUPPORT MAINTENANCE MANUAL
JULY 1993
TM-9-1240-401-34-P - Page 410 of 590
SECTION II
TM 9-1240-401-34&P
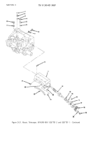
Figure D-25. Mount, Telescope, M145/M145A1 8267701-2 and 8267701-1 - Continued