TM-9-2320-209-20P

2 1/2 TON, 6X6 TRUCK

ORGANIZATIONAL MAINTENANCE; REPAIR PARTS AND SPECIAL TOOLS LISTS

DECEMBER 1989

  TM-9-2320-209-20P - Page 673 of 805

TM 9-2320-209-20P
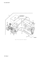
Figure 335. Van body personnel heater (gasoline) (2 of 3).
636


Back to Top