TM-9-2320-260-24P-2

TRUCK, 5-TON, 6X6, M809 SERIES (DIESEL)

TECHNICAL MANUAL; UNIT, DIRECT SUPPORT, AND GENERAL SUPPORT MAINTENANCE; REPAIR PARTS AND SPECIAL TOOLS LIST; VOLUME 2 OF 2

SEPTEMBER 2003

  TM-9-2320-260-24P-2 - Page 213 of 1016

TM 9-2320-260-24P-2
0366 00
(1)
(2)
(3)
(4)
(5)
(6)
(7)
ITEM
SMR
PART
NO
CODE
NSN
CAGEC
NUMBER
DESCRIPTION AND USABLE ON CODE (UOC)
QTY
GROUP 2001 HOIST,CRANE,OR WINCH
ASSEMBLY
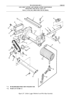
FIG. 365 FRONT WINCH TENSIONER
ASSEMBLY,ROLLER ASSEMBLY,AND
RELATED PARTS
1
PAFZZ
19207
7411162
SPACER,PLATE.
.......................
1
UOC:620,622
2
PAFZZ
19207
8344247
SHIM.
...............................
1
UOC:620,622
3
PAOZZ
96906
MS15003-1
FITTING,LUBRICATION.
................
2
UOC:614,620,621,622,623,625,628,633,
634,637
4
PAFZZ
19207
7409609
PIN0ROLLER WINCH.
...................
2
UOC:614,620,621,622,623,625,628,633,
634,637
5
PAFZZ
19207
7409729
BEARING,WASHER,THRU.
................
2
UOC:614,620,621,622,623,625,628,633,
634,637
6
PAHZZ
19207
7417094
PACKING ASSEMBLY.
...................
2
UOC:614,620,621,622,623,625,628,633,
634,637
7
PAFZZ
19207
7409725
SHAFT,SHOULDERED.
...................
1
UOC:614,620,621,622,623,625,628,633,
634,637
8
PAFFF
19207
7409694
ROLLER ASSEMBLY,WIN.
................
1
UOC:614,620,621,622,623,625,628,633,
634,637
9
PAFZZ
96906
MS51961-22
.BEARING,ROLLER,NEED.
...............
2
UOC:614,620,621,622,623,625,628,633,
634,637
10
PAFZZ
19207
7954470
.ROLLER ASSEMBLY.
...................
1
UOC:614,620,621,622,623,625,628,633,
634,637
11
PAFZZ
19207
7409804-1
BRACKET,MOUNTING.
...................
1
UOC:614,620,621,622,623,625,628,633,
634,637
12
PAFZZ
96906
MS51963-137
SETSCREW.
...........................
1
UOC:614,620,621,622,623,625,628,633,
634,637
13
PAFZZ
96906
MS51977-84
SETSCREW.
...........................
1
UOC:614,620,621,622,623,625,628,633,
634,637
14
PAFZZ
19207
7409728
WASHER,FLAT.
........................
4
UOC:614,620,621,622,623,625,628,633,
634,637
15
PAFZZ
19207
7409807
BEARING,SLEEVE.
.....................
4
UOC:614,620,621,622,623,625,628,633,
634,637
16
PAFZZ
19207
7409695
BEARING,SLEEVE.
.....................
2
UOC:614,620,621,622,623,625,628,633,
634,637
17
PAFZZ
96906
MS35671-42
PIN,GROOVED,HEADLES.
................
2
UOC:614,620,621,622,623,625,628,633,
634,637
18
PAFFF
19207
8690884
TENSION DEVICE,TRAC.
................
1
UOC:620,622
19
PAFZZ
19207
7411170
.BEARING,WASHER,THRU.
...............
4
UOC:620,622
20
PAFZZ
19207
7417093
.PACKING ASSEMBLY.
..................
4
UOC:620,622
21
PAFZZ
96906
MS51961-9
.BEARING,ROLLER,NEED.
...............
2
0366 00-1


Back to Top