TM-9-2320-260-24P-2

TRUCK, 5-TON, 6X6, M809 SERIES (DIESEL)

TECHNICAL MANUAL; UNIT, DIRECT SUPPORT, AND GENERAL SUPPORT MAINTENANCE; REPAIR PARTS AND SPECIAL TOOLS LIST; VOLUME 2 OF 2

SEPTEMBER 2003

  TM-9-2320-260-24P-2 - Page 402 of 1016

TM 9-2320-260-24P-2
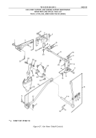
0430 00
(1)
(2)
(3)
(4)
(5)
(6)
(7)
ITEM
SMR
PART
NO
CODE
NSN
CAGEC
NUMBER
DESCRIPTION AND USABLE ON CODE (UOC)
QTY
26
PAOZZ
19207
7411413
LEVER,REMOTE CONTRO.
................
1
UOC:622
27
PAOZZ
80204
B1821BH050C225N
SCREW,CAP,HEXAGON H.
................
1
UOC:622
28
PAOZZ
19207
7418840
CLEVIS,ROD END.
.....................
1
UOC:622
29
PAOZZ
96906
MS21045-8
NUT,SELF-LOCKING,HE.
................
1
UOC:622
30
PAOZZ
96906
MS15003-1
FITTING,LUBRICATION.
................
2
UOC:622
31
PAOZZ
96906
MS90726-60
SCREW,CAP,HEXAGON H.
................
4
UOC:622
END OF FIGURE
0430 00-2


Back to Top