TM-9-2320-260-24P-2

TRUCK, 5-TON, 6X6, M809 SERIES (DIESEL)

TECHNICAL MANUAL; UNIT, DIRECT SUPPORT, AND GENERAL SUPPORT MAINTENANCE; REPAIR PARTS AND SPECIAL TOOLS LIST; VOLUME 2 OF 2

SEPTEMBER 2003

  TM-9-2320-260-24P-2 - Page 478 of 1016

TM 9-2320-260-24P-2
0462 00
(1)
(2)
(3)
(4)
(5)
(6)
(7)
ITEM
SMR
PART
NO
CODE
NSN
CAGEC
NUMBER
DESCRIPTION AND USABLE ON CODE (UOC)
QTY
43
KFFZZ
78385
703547
BOLT HOOK
PART OF KIT P/N G704424.
.
4
44
PAFZZ
78385
487283
NUT,PLAIN,HEXAGON.
..................
6
45
PFFZZ
78385
475005
WASHER,LOCK.
........................
1
46
PFFZZ
78385
G704373
LEAD,ELECTRICAL.
....................
1
47
PAFZZ
78385
706131
NUT,SELF-LOCKING,HE.
................
5
48
PAFZZ
78385
G704177
HOUSING,BAFFLE,HEAT.
................
1
49
PAFZZ
78385
G706014
BLOWER ASSEMBLY,HEA.
................
1
50
PAFZZ
24617
120487
NUT,TUBE COUPLING.
..................
1
51
PAFZZ
78385
718768-23
O-RING
PART OF KIT P/N G704424.
....
1
52
KFFZZ
19207
10948235
GASKET
PART OF KIT P/N G704424.
....
1
53
PAFZZ
78385
G704232
HEAT EXCHANGER.
.....................
1
KIT
PFFZZ
78385
G704424
PARTS KIT,HEATER,VE.
................
1
BOLT HOOK
(
4) 460-16
BURNER ASSEMBLY
(
1) 460-24
CLAMP,RIM CLENCHING
(
4) 460-17
GASKET
(
1) 460-40
O-RING
(
1) 460-39
SCREW,MACHINE
(
25) 460-2
BOLT HOOK
(
4) 461-43
CLAMP,RIM CLENCHING
(
4) 461-42
GASKET
(
1) 461-52
O-RING
(
1) 461-51
SCREW,MACHINE
(
25) 461-18
KIT
PAFZZ
19207
5704052
PARTS KIT,VEHICULAR.
................
1
VAPORIZER
(
1) 460-30
WASHER
(
1) 460-28
WASHER,FLAT
(
1) 460-29
WASHER RETAINING
(
1) 460-31
WICK
(
1) 460-32
NUT,HEX,CASTELLATED
(
3) 461-28
SCREW
(
3) 461-38
WASHER,NOTCHED FIBR
(
2) 461-31
WASHER RETAINING
(
1) 461-32
WICK,BRAIDED IGNITE
(
1) 461-30
WASHER
(
1) 461-34
WASHER,FLAT
(
1) 461-33
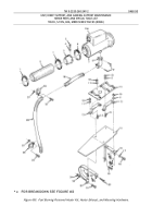
END OF FIGURE
0462 00-2


Back to Top