TM-9-2320-260-34P-1

5-TON, 6X6, M809 SERIES (DIESEL)

TECHNICAL MANUAL; DIRECT SUPPORT AND GENERAL SUPPORT MAINTENANCE; REPAIR PARTS AND SPECIAL TOOLS LIST; VOLUME 1 OF 2

JANUARY 1992

  TM-9-2320-260-34P-1 - Page 223 of 1025

Section II.
TM 9-2320-260-34P-1
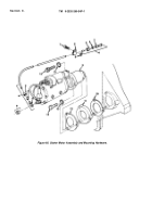
Figure 88. Air Compressor Coolant Lines and Related Parts.


Back to Top