TM-9-2320-260-34P-1

5-TON, 6X6, M809 SERIES (DIESEL)

TECHNICAL MANUAL; DIRECT SUPPORT AND GENERAL SUPPORT MAINTENANCE; REPAIR PARTS AND SPECIAL TOOLS LIST; VOLUME 1 OF 2

JANUARY 1992

  TM-9-2320-260-34P-1 - Page 36 of 1025

SECTION II
TM9-2320-260-34P-1
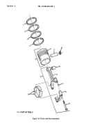
(1)
(2)
(3)
(4)
(5)
(6)
ITEM
SMR
PART
NO
CODE
CAGEC
NUMBER
DESCRIPTION AND USABLE ON CODES(UOC)
QTY
GROUP 0101 CRANKCASE,BLOCK,CYLINDER
HEAD
FIG.6 ENGINE ACCESS COVER
1
PAFZZ
15434
65274
GASKET PART OF KIT P/N 3011472
1
2
PFFZZ
15434
158145
COVER,ACCESS
1
3
PAFZZ
15434
3010595
SCREW,MACHINE
4
4
PAFZZ
96906
MS27183-14
WASHER,FLAT
4
END OF FIGURE
6-1


Back to Top