TM-9-2320-260-34P-2

5-TON, 6X6, M809 SERIES (DIESEL)

TECHNICAL MANUAL; DIRECT SUPPORT AND GENERAL SUPPORT MAINTENANCE; REPAIR PARTS AND SPECIAL TOOLS LIST; VOLUME 2 OF 2

JANUARY 1992

  TM-9-2320-260-34P-2 - Page 180 of 1043

SECTION II
TM9-2320-260-34P-2
(1)
(2)
(3)
(4)
(5)
(6)
ITEM
SMR
PART
NO
CODE
CAGEC
NUMBER
DESCRIPTION AND USABLE ON CODES(UOC)
QTY
GROUP 1812 SPECIAL PURPOSE BODIES
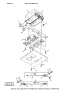
FIG. 355 VAN 3-PHASE AND 400 HZ
RECEPTACLES
1
PAOZZ
70485
AN931-10-14
GROMMET,NONMETALLIC
4
UOC:630,632
2
PFOZZ
19207
8743871
JUNCTION BOX
4
UOC:630,632
3
PAOZZ
96906
MS24629-35
SCREW,TAPPING,THREA
16
UOC:630,632
4
PFOZZ
19207
11663108
CONNECTOR,RECEPTACL
2
UOC:630,632
5
PFOZZ
71183
7321
PLATE,WALL,ELECTRIC
400HZ
2
UOC:630,632
6
PAOZZ
96906
MS35190-236
SCREW,MACHINE
12
UOC:630,632
7
PFOZZ
19207
11663109
CONNECTOR,RECEPTACL
2
UOC:630,632
8
PFOZZ
19207
8380747
PLATE,WALL,ELECTRIC
2
UOC:630,632
END OF FIGURE
355-1


Back to Top