TM-9-2320-260-34P-2

5-TON, 6X6, M809 SERIES (DIESEL)

TECHNICAL MANUAL; DIRECT SUPPORT AND GENERAL SUPPORT MAINTENANCE; REPAIR PARTS AND SPECIAL TOOLS LIST; VOLUME 2 OF 2

JANUARY 1992

  TM-9-2320-260-34P-2 - Page 240 of 1043

SECTION II
TM9-2320-260-34P-2
(1)
(2)
(3)
(4)
(5)
(6)
ITEM
SMR
PART
NO
CODE
CAGEC
NUMBER
DESCRIPTION AND USABLE ON CODES(UOC)
QTY
GROUP 2001 HOIST,CRANE,OR WINCH
ASSEMBLY
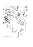
FIG. 377 FRONT WINCH TENSIONER
ASSEMBLY, ROLLER ASSEMBLY, AND
RELATED PARTS
1
PAFZZ
19207
7411162
SPACER,PLATE
1
UOC:620,622,636
2
PAFZZ
19207
8344247
SHIM
1
UOC:620,622,636
3
PAOZZ
96906
MS15003-1
FITTING,LUBRICATION
2
UOC:614,620,621,622,623,625,628,633,
634,636,637
4
PAFZZ
19207
7409609
PIN,ROLLER WINCH
2
UOC:614,620,621,622,623,625,628,633,
634,636,637
5
PAFZZ
19207
7409729
BEARING,WASHER,THRU
2
UOC:614,620,621,622,623,625,628,633,
634,636,637
6
PAHZZ
19207
7417094
PACKING ASSEMBLY
2
UOC:614,620,621,622,623,625,628,633,
634,636,637
7
PAFZZ
19207
7409725
SHAFT,SHOULDERED
1
UOC:614,620,621,622,623,625,628,633,
634,636,637
8
PAFFF
19207
7409694
ROLLER ASSEMBLY,WIN
1
UOC:614,620,621,622,623,625,628,633
634,636,637
9
PAFZZ
96906
MS51961-22
BEARING,ROLLER,NEED
2
UOC:614,620,621,622,623,625,628,633,
634,636,637
10
PAFZZ
19207
7954470
ROLLER ASSEMBLY
1
UOC:614,620,621,622,623,625,628,633
634,636,637
11
PAFZZ
19207
7409804-1
BRACKET,MOUNTING
1
UOC:614,620,621,622,623,625,628,633,
634,636,637
12
PAFZZ
96906
MS51963-137
SETSCREW
1
UOC:614,620,621,622,623,625,628,633,
634,636,637
13
PAFZZ
96906
MS51977-84
SETSCREW
1
UOC:614,620,621,622,623,625,628,633,
634,636,637
14
PAFZZ
19207
7409728
WASHER,FLAT
4
UOC:614,620,621,622,623,625,628,633,
634,636,637
15
PAFZZ
19207
7409807
BEARING,SLEEVE
2
UOC:614,620,621,622,623,625,628,633,
634,636,637
16
PAFZZ
19207
7409695
BEARING,SLEEVE
2
UOC:614,620,621,622,623,625,628,633,
377-1


Back to Top