TM-9-2320-272-24P-3

TRUCK, 5-TON, 6X6, M939, M939A1, AND M939A2 SERIES TRUCKS (DIESEL)

TECHNICAL MANUAL; REPAIR PARTS AND SPECIAL TOOLS LIST (RPSTL); VOLUME 3 OF 3

AUGUST 2012

  TM-9-2320-272-24P-3 - Page 44 of 595

(1)
(2)
(3)
(4)
(5)
(6)
(7)
ITEM
NO.
SMR CODE
NSN
CAGEC
PART NUMBER
DESCRIPTION AND USABLE ON
CODE (UOC)
QTY
GROUP 3307 SPECIAL PURPOSE
KITS.
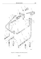
FIG. 609. LIGHTWEIGHT WEAPON
STATION KIT.
1
PAFZZ
B1821BH025C125N
80204
SCREW,CAP,HEXAGON H
PART
OF KIT P/N 57K0300
UOC:
DAC,DAD,DAG,DAH,DAW,DA
X,V14,V15,V16,V17,V21,V22,ZAA,ZA
B,ZAC,ZAD,ZAG,ZAH
.................................
8
2
PAFZZ
MS35338-44
80205
WASHER,LOCK
PART OF KIT P/
N 57K0300
UOC:
DAC,DAD,DAG,DAH,DAW,DA
X,V14,V15,V16,V17,V21,V22,ZAA,ZA
B,ZAC,ZAD,ZAG,ZAH
.................................
8
3
PAFZZ
12300707
19207
PLATE,MOUNTING
PART OF KIT
P/N 57K0300
UOC:
DAC,DAD,DAG,DAH,DAW,DA
X,V14,V15,V16,V17,V21,V22,ZAA,ZA
B,ZAC,ZAD,ZAG,ZAH
.................................
1
4
PAFZZ
12450078
19207
PEDESTAL,GUN MOUNT
PART
OF KIT P/N 57K0300
UOC:
DAC,DAD,DAG,DAH,DAW,DA
X,V14,V15,V16,V17,V21,V22,ZAA,ZA
B,ZAC,ZAD,ZAG,ZAH
.................................
4
5
PAFZZ
MS24665-317
80205
PIN,COTTER
PART OF KIT P/N 57K0300
UOC:
DAC,DAD,DAG,DAH,DAW,DA
X,V14,V15,V16,V17,V21,V22,ZAA,ZA
B,ZAC,ZAD,ZAG,ZAH
.................................
8
6
PAFZZ
11609677
19207
BOLT,U
PART OF KIT P/N 57K0300
UOC:
DAC,DAD,DAG,DAH,DAW,DA
X,V14,V15,V16,V17,V21,V22,ZAA,ZA
B,ZAC,ZAD,ZAG,ZAH
.................................
4
7
PAFZZ
11677310-1
19207
PIN,STRAIGHT,HEADLE
PART
OF KIT P/N 57K0300
UOC:
DAC,DAD,DAG,DAH,DAW,DA
X,V14,V15,V16,V17,V21,V22,ZAA,ZA
B,ZAC,ZAG,ZAH
.........................................
4
8
PAFZZ
M45913/3-8FG8C
81349
NUT,SELF-LOCKING,HE
PART
OF KIT P/N 57K0300
UOC:
DAC,DAD,DAG,DAH,DAW,DA
X,V14,V15,V16,V17,V21,V22,ZAA,ZA
B,ZAC,ZAD,ZAG,ZAH
...............................
18
9
PAFZZ
12375557
19207
PLATE,MOUNTING
PART OF KIT
P/N 57K0300
UOC:
DAC,DAD,DAG,DAH,DAW,DA
X,V14,V15,V16,V17,V21,V22,ZAA,ZA
B,ZAC,ZAD,ZAG,ZAH
.................................
2
TM 9-2320-272-24P-3
0610
0610-5


Back to Top