Search for a specific FSG, FSC, CAGE code or PS Issue
The first 2 digits of the Federal Supply Classification Group (FSCG) is called the Federal Supply Group (FSG).
The last 2 digits of the Federal Supply Classification Group (FSCG) is called the Federal Supply Class (FSC).
An FSC Search is conducted with the full 4-digit FSCG number.
A Commercial and Government Entity (CAGE) Code is a five-digit alpha numeric identifier which is assigned to suppliers of various Governmental agencies.
The Preventive Maintenance Monthly is series of United States Army technical bulletins published since June 1951 as a monthly magazine with comic book-style art to illustrate proper preventive maintenance methods.
TRUCK, 5-TON, 6X6, M939 AND M939A1 SERIES TRUCKS (DIESEL)
TECHNICAL MANUAL; DIRECT SUPPORT AND GENERAL SUPPORT MAINTENANCE; REPAIR PARTS AND SPECIAL TOOLS LIST (INCLUDING DEPOT MAINTENANCE REPAIR PARTS); VOLUME 1 OF 2
MAY 1988
TM-9-2320-272-34P-1 - Page 689 of 1116
Section Il.
TM 9-2320-272-34P-1
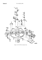
Figure 266. Front Leaf Spring Assembly and Related Parts.