TM-9-2320-273-24P

M939 SERIES TRUCK TRACTOR AND TRUCK CHASSIS

TECHNICAL MANUAL; UNIT, DIRECT SUPPORT AND GENERAL SUPPORT; MAINTENANCE REPAIR PARTS AND SPECIAL TOOLS LISTS

FEBRUARY 1990

  TM-9-2320-273-24P - Page 393 of 1105

SECTION II
TM9-2320-273-24P
TA215533
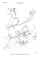
FIGURE 154. REAR BRAKE AIR LINES AND FITTINGS (MODELS M916 AND M918).


Back to Top