TM-9-2320-280-24P-1

TRUCK, UTILITY: M998 SERIES

TECHNICAL MANUAL; UNIT, DIRECT SUPPORT AND GENERAL SUPPORT MAINTENANCE REPAIR PARTS AND SPECIAL TOOLS LIST, VOLUME 1 OF 2

MARCH 2001

  TM-9-2320-280-24P-1 - Page 1034 of 1139

SECTION II
TM9-2320-280-24P
(1)
(2)
(3)
(4)
(5)
(6)
(7)
ITEM
SMR
PART
NO
CODE
NSN
CAGEC
NUMBER
DESCRIPTION AND USABLE ON CODES(UOC) QTY
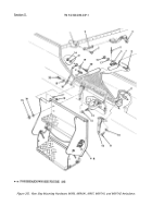
GROUP 1812 SPECIAL PURPOSE BODIES
FIG. 294 REAR STEP LATCH,STRIKER
BRACKET,AND BLACKOUT SWITCH MOUNTING
HARDWARE,M996,M996A1,M997,M997A1,AND
M997A2 AMBULANCE
1 PFOZZ 5975-01-270-8552 19207 12341003
COVER,JUNCTION BOX
REAR DOOR.
......
1
UOC:A15,B15,B16,H15,H16
2 PAOZZ 5305-00-855-0957 80205 MS24629-46
SCREW,TAPPING
#10-24 X .50.
........
3
UOC:A15,B15,B16,H15,H16
3 PFOZZ 5340-01-272-9109 19207 12341004
BRACKET,DOUBLE ANGL.
................
1
UOC:A15,B15,B16,H15,H16
4 PAOZZ 5305-00-068-0502 96906 MS90725-6
SCREW,CAP,HEXAGON H
1/4-20 X .75.
..
8
UOC:A15,B15,B16,H15,H16
5 PAOZZ 5310-00-809-4058 96906 MS27183-10
WASHER,FLAT
1/4.
...................
8
UOC:A15,B15,B16,H15,H16
6 PFOZZ 5340-01-296-2814 34623 12342005
BRACKET,MOUNTING.
...................
2
UOC:A15,B15,B16,H15,H16
7 PAOZZ 5306-01-265-8897 27182 J4501XXBZ01
BOLT,SHOULDER.
......................
2
UOC:A15,B15,B16,H15,H16
8 PAOZZ 5320-01-273-4601 11815 CR-213-6-8
RIVET,BLIND
3/16.
..................
2
UOC:A15,B15,B16,H15,H16
END OF FIGURE
294-1


Back to Top