TM-9-2320-280-24P-2

TRUCK, UTILITY: M998 SERIES

TECHNICAL MANUAL; UNIT, DIRECT SUPPORT AND GENERAL SUPPORT MAINTENANCE REPAIR PARTS AND SPECIAL TOOLS LIST, VOLUME 2 OF 2

MARCH 2001

  TM-9-2320-280-24P-2 - Page 524 of 1017

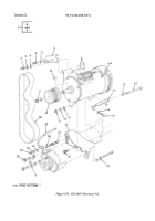
SECTION II
TM9-2320-280-24P
(1)
(2)
(3)
(4)
(5)
(6)
(7)
ITEM
SMR
PART
NO
CODE
NSN
CAGEC
NUMBER
DESCRIPTION AND USABLE ON CODES(UOC) QTY
H20,H21,H24,H25,H26,H27,H28,MMM
22 PAOZZ 5310-01-210-1587 7X677 11500256
WASHER,FLAT
10MM PART OF KIT P/N
2
57K0273.
............................
UOC:AVY,A11,A13,A14,A20,A24,A25,A26,
A27,B17,B18,HVY,H11,H13,H14,H17,H18,
H20,H21,H24,H25,H26,H27,H28,MMM
23 PAOZZ 5307-01-408-4029 19207 12342545
STUD,SHOULDERED PART OF KIT P/N
1
57K0273.
............................
UOC:AVY,A11,A13,A14,A20,A24,A25,A26,
A27,B17,B18,HVY,H11,H13,H14,H17,H18,
H20,H21,H24,H25,H26,H27,H28,MMM
24 PAOZA 5342-01-466-6283 19207 12446755
BRACKET,ENGINE ACCE PART OF KIT P/N
1
57K0273.
............................
UOC:AVY,A11,A13,A14,A20,A24,A25,A26,
A27,B17,B18,HVY,H11,H13,H14,H17,H18,
H20,H21,H24,H25,H26,H27,H28,MMM
25 PAOZZ 5999-01-372-5601 19207 12341151
STRIP,ELECTRICAL GR PART OF KIT P/N
1
57K0273.
............................
UOC:AVY,A11,A13,A14,A20,A24,A25,A26,
A27,B17,B18,HVY,H11,H13,H14,H17,H18,
H20,H21,H24,H25,H26,H27,H28,MMM
26 PAOZA 3030-01-466-5387 19207 12339359-28
V-BELT SET
58 INCHES LONG PART OF
1
KIT P/N 57K0273.
....................
UOC:AVY,A11,A13,A14,A20,A24,A25,A26,
A27,B17,B18,HVY,H11,H13,H14,H17,H18,
H20,H21,H24,H25,H26,H27,H28,MMM
END OF FIGURE
476-3


Back to Top