TM-9-2320-304-14-P

LOAD HANDLING SYSTEM, HEAVY EXPANDED MOBILITY TACTICAL TRUCKS (HEMTT)

TECHNICAL MANUAL; OPERATOR’S, ORGANIZATIONAL, AND DIRECT SUPPORT AND GENERAL SUPPORT MAINTENANCE MANUAL (INCLUDING REPAIR PARTS AND SPECIAL TOOLS LIST)

AUGUST 2000

  TM-9-2320-304-14-P - Page 1110 of 1320

SECTION II
TM 9-2320-304-14&P
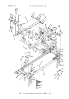
FIG. 26 LADDER SUPPORTS
C03


Back to Top