TM-9-2320-361-20P

TRUCK, 2 1/2-TON, 6X6, M44A1 AND M44A2 SERIES (MULTIFUEL)

TECHNICAL MANUAL; UNIT MAINTENANCE; REPAIR PARTS AND SPECIAL TOOLS LIST

OCTOBER 1993

  TM-9-2320-361-20P - Page 535 of 1185

SECTION II
TM9-2320-361-20P
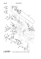
(1)
(2)
(3)
(4)
(5)
(6)
ITEM
SMR
PART
NO
CODE
CAGEC
NUMBER
DESCRIPTION AND USABLE ON CODES(UOC)
QTY
23
PAOZZ
96906
MS51922-21
NUT,SELF-LOCKING,HE
5
UOC:470
24
PAOZZ
19207
7372790
LEG,SEAT
5
UOC:470
25
PAOZZ
96906
MS90727-68
SCREW,CAP,HEXAGON H
5
UOC:470
26
PAOZZ
96906
MS24665-283
PIN,COTTER
5
UOC:470
27
PAOZZ
19207
7370134
PIN,STRAIGHT,HEADED
5
UOC:470
28
PFOOO
19207
11647780-1
RACK ASSEMBLY,SIDE
LEFT
1
UOC:470
28
PFOOO
19207
11647780-2
RACK ASSEMBLY,SIDE
RIGHT
1
UOC:470
29
PAOZZ
96906
MS35751-42
BOLT,SQUARE NECK
16
UOC:470
30
PAOZZ
96906
MS90728-39
BOLT,MACHINE
2
UOC:470
31
PAOZZ
19207
7372788
BRACKET,ANGLE
2
UOC:470
32
MOOZZ
19207
11647758-1
SLAT SIDE LEFT, MAKE FROM WOOD, P/
1
N 2411-65
UOC:470
33
MOOZZ
19207
11647758-2
SLAT SIDE
RIGHT, MAKE FROM WOOD,
1
P/N 2411-65
UOC:470
34
PFOZZ
19207
7397996-2
POCKET,BOW
LEFT
1
UOC:470
34
PFOZZ
19207
7397997-2
POCKET ASSEMBLY,BOW
RIGHT
1
UOC:470
35
PAOZZ
19207
7370384
POCKET,BOW,BODY RAC
3
UOC:470
36
PAOZZ
96906
MS27183-12
WASHER,FLAT
4
UOC:470
37
PAOZZ
96906
MS51922-9
NUT,SELF-LOCKING,HE
2
UOC:470
38
PFOZZ
19207
7397996-3
POCKET ASSEMBLY,BOW
LEFT
1
UOC:470
38
PFOZZ
19207
7397997-3
POCKET ASSEMBLY,BOW
RIGHT
1
UOC:470
39
PAOZZ
96906
MS51967-5
NUT,PLAIN,HEXAGON
16
UOC:470
END OF FIGURE
214-2


Back to Top