TM-9-2320-361-20P

TRUCK, 2 1/2-TON, 6X6, M44A1 AND M44A2 SERIES (MULTIFUEL)

TECHNICAL MANUAL; UNIT MAINTENANCE; REPAIR PARTS AND SPECIAL TOOLS LIST

OCTOBER 1993

  TM-9-2320-361-20P - Page 690 of 1185

SECTION II
TM9-2320-361-20P
(1)
(2)
(3)
(4)
(5)
(6)
ITEM
SMR
PART
NO
CODE
CAGEC
NUMBER
DESCRIPTION AND USABLE ON CODES(UOC)
QTY
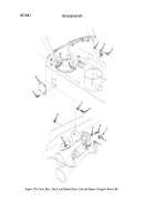
GROUP 3303 WINTERIZATION KITS
FIG. 270 FUEL PUMP, FILTER AND
LINES, AND RELATED PARTS, ARCTIC
HEATER KIT
1
KFOZZ
19207
12356688
TUBE PART OF KIT P/N 12301224
1
2
PAOZZ
36232
B892
ELBOW,PIPE T PART OF KIT P/N
2
12301224
3
PAOZZ
19204
7191359
REDUCER,PIPE PART OF KIT P/N
1
12301224
4
PAOZZ
96906
MS90727-5
SCREW,CAP,HEXAGON H PART OF KIT P/N
4
12301224
5
PAOZZ
96906
MS45904-68
WASHER,LOCK PART OF KIT P/N 12301224
4
6
PAOZZ
96906
MS51321-2
PUMP,FUEL,ELECTRICA PART OF KIT P/N
1
12301224
7
KFOZZ
19207
12356713
PLATE PART OF KIT P/N 12301224
1
8
PAOZZ
96906
MS21044N4
NUT,SELF-LOCKING,HE PART OF KIT P/N
8
12301224
9
KFOZZ
19207
10896366
PLATE PART OF KIT P/N 12301224
1
10
KFOZZ
19207
10897155
BAFFLE PART OF KIT P/N 12301224
1
11
PAOZZ
96906
MS27183-10
WASHER,FLAT PART OF KIT P/N 12301224
6
12
PAOZZ
96906
MS90727-6
SCREW,CAP,HEXAGON H PART OF KIT P/N
6
12301224
13
PAOZZ
21450
444038
ELBOW,PIPE PART OF KIT P/N 12301224
1
14
PAOZZ
21450
452891
NIPPLE,PIPE PART OF KIT P/N 12301224
1
15
PAOZZ
21450
444094
COUPLING,PIPE PART OF KIT P/N
1
12301224
16
PAOZZ
79470
A660
COCK,SHUTOFF,SCREW PART OF KIT P/N
1
12301224
17
PFOZZ
72582
113175
PLUG,PIPE PART OF KIT P/N 12301224
1
18
PAOZZ
19207
547002
TEE,PIPE PART OF KIT P/N 12301224
1
19
PAOZZ
96906
MS51085-1
FILTER,FLUID PART OF KIT P/N
1
12301224
20
PAOZZ
96906
MS35207-269
SCREW,MACHINE PART OF KIT P/N
2
12301224
21
PAOZZ
96906
MS35335-32
WASHER,LOCK PART OF KIT P/N 12301224
2
22
PAOZZ
57648
5068
ADAPTER,STRAIGHT,PI PART OF KIT P/N
1
12301224
END OF FIGURE
270-1


Back to Top