TM-9-2320-386-24P

2-1/2-TON, 6X6, M44A3 SERIES TRUCKS (DIESEL)

TECHNICAL MANUAL; EXTENDED SERVICE PROGRAM (ESP); UNIT, DIRECT SUPPORT AND GENERAL SUPPORT; REPAIR PARTS AND SPECIAL TOOLS LIST

MAY 2001

  TM-9-2320-386-24P - Page 267 of 510

TM9-2320-386-24P
0120 00
(1)
(2)
(3)
(4)
(5)
(6)
(7)
ITEM
SMR
PART
NO
CODE
NSN
CAGEC
NUMBER
DESCRIPTION AND USABLE ON CODES(UOC) QTY
GROUP 1313 TIRES,TUBES,TIRE CHAINS
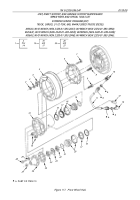
FIG. 119 TIRE,WHEEL ASSEMBLY,AND
WHEEL VALVE
1 AOOOO
34623 RCSK15411
TIRE AND WHEEL ASSY.
................
7
2 PAOZZ 2530-01-398-2022 34623 RCSK-15406
.BEADLOCK,PNEUMATIC.
................
1
3 PCOHH 2610-01-397-6976 19207 12448698
.TIRE,PNEUMATIC,VEHI.
...............
1
4 PAOOO 2530-01-398-3380 19207 12448697
.WHEEL,PNEUMATIC TIR.
...............
1
5 XAOZZ
41885 X90874
..RIM,INNER.
........................
1
6 PAOZZ 5306-01-314-6742 19207 12363604
..BOLT,RIBBED SHOULDE.
..............
10
7 PAOZZ 5331-01-314-7598 19207 12363606
..O-RING.
...........................
1
8 XAOZZ
41885 X90876
..RING,OUTER.
.......................
1
9 PAOZZ 5310-01-102-2711 19207 12257242
..NUT,SELF-LOCKING,EX.
..............
10
10 PFOZZ 2640-01-429-7813 19207 12448695
.VALVE,PNEUMATIC TIR.
...............
1
11 PAOZZ 5325-01-437-5810 2W783 RG22
.GROMMET,NONMETALLIC.
...............
1
12 PAOZZ 5310-01-445-6872 2W783 HN80
.NUT,PLAIN HEXAGON.
.................
1
13 PAOZZ 3040-01-407-0644 19207 12448971
WEIGHT,COUNTERBALAN
FRONT WHEELS
1
ONLY.
...............................
14 PAOZZ 5310-01-045-3709 96906 MS51983-6
NUT,PLAIN,SINGLE BA.
................
24
15 PAOZZ 5340-01-422-4328 34623 RCSK17558
PLATE,MOUNTING.
.....................
6
16 PAOZZ 5305-00-225-3843 80204 B1821BH025C100N
SCREW,CAP,HEXAGON H.
................
24
17 PAOOO 2530-01-419-6303 19207 12448915
VALVE,BRAKE PNEUMAT.
................
6
18 KFOZZ
0N0J4 50001012
.SCREW,CAP,HEXAGON H PART OF KIT P/N
8
50009501.
..........................
19 KFOZZ
0N0J4 50001501
.SPRING PART OF KIT P/N 50009501.
...
1
20 KFOZZ
0N0J4 50009011
.PACKING,PREFORMED PART OF KIT P/N
1
50009501.
...........................
21 KFOZZ
0N0J4 50004106
.POPPET PART OF KIT P/N 50009501.
...
1
22 PAOZZ 5310-00-061-4650 96906 MS51943-31
.NUT,SELF-LOCKING,HE.
...............
4
23 KFOZZ
0N0J4 50009402
.VALVE,CHECK PART OF KIT P/N
1
50009501.
...........................
24 PAOZZ 2520-01-364-4486 0N0J4 50005023
.BREATHER.
..........................
1
25 KFOZZ
0N0J4 50009401
.DIAPHRAM PART OF KIT P/N 50009501.
.
1
26 KFOZZ
0N0J4 50009012
.PACKING,PREFORMED PART OF KIT P/N
1
50009501.
...........................
27 PAOZZ 2640-00-060-3550 53705 2316
.CAP,PNEUMATIC VALVE.
...............
1
28 PAOZZ 2640-00-004-8297 27783 8500V
.VALVE CORE.
........................
1
29 PFOZZ 4820-01-363-8002 0N0J4 50003050
.VALVE,PNEUMATIC TAN.
...............
1
30 PAOZZ 4730-00-639-9730 79470 3400X2W
.ELBOW,PIPE.
........................
1
31 PAOZZ 4730-01-115-7362 81343 8-4 100202BA
ELBOW,PIPE TO TUBE.
.................
12
32 PAOZZ 4730-01-049-1559 81343 8 100115B
SLEEVE,COMPRESSION,.
................
18
33 PAOZZ 4730-01-048-7874 81343 8 100110B
NUT,TUBE COUPLING.
..................
18
34 MOOZZ
19207 CPR104420-3-6
TUBE,NONMETALLIC
MAKE FROM HOSE,
6
NONMETALLIC,P/N CPR104420-3,NSN
4720-01-003-6706,5.50 INCHES LONG.
..
35 PAOZZ 4730-01-134-6994 81343 8-6 100103BA
ADAPTER,STRAIGHT,PI.
................
6
36 PAOZZ 2940-01-443-8959 19207 12448913
FILTER,FLUID.
.......................
6
37 PAOZZ 4730-00-277-5543 02978 12353
ELBOW,PIPE.
.........................
12
38 PFOZZ 2530-01-447-8996 19207 12448972
HUB CAP,WHEEL.
......................
6
39 MOOZZ
19207 CPR104420-3-9
TUBE,NONMETALLIC
MAKE FROM HOSE,
6
NONMETALLIC,P/N CPR104420-3,NSN
0120 00-1


Back to Top