TM-9-2320-387-24P

TRUCK, UTILITY: S250 SHELTER CARRIER, 4X4, M1113

TECHNICAL MANUAL; UNIT, DIRECT SUPPORT AND GENERAL SUPPORT MAINTENANCE REPAIR PARTS AND SPECIAL TOOLS LIST

MARCH 2002
CHANGE 2

  TM-9-2320-387-24P - Page 124 of 1367

TM9-2320-387-24P
0039 00
(1)
(2)
(3)
(4)
(5)
(6)
(7)
ITEM
SMR
PART
NO
CODE
NSN
CAGEC
NUMBER
DESCRIPTION AND USABLE ON CODES(UOC) QTY
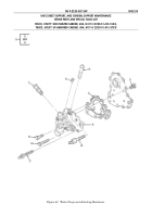
GROUP 0502 COWLING,DEFLECTOR,AIR
DUCTS,SHROUDS
FIG. 38 RADIATOR SHROUD AND RELATED
PARTS
1 PAOZZ 2510-01-210-6939 19207 12339166-1
SHIELD ASSEMBLY,SHR
L.H.
...........
1
1 PAOZZ 2990-01-210-4276 19207 12339166-2
SHIELD ASSEMBLY,SHR
R.H.
...........
1
2 PAOZZ 5305-00-052-6921 80205 MS24629-57
SCREW,TAPPING
1/4-20 X 1/2.
........
6
3 PAOOO 2930-01-433-2547 34623 RCSK17158
SHROUD,FAN,RADIATOR.
................
1
4 PAOZZ 5340-01-432-4881 34623 RCSK17289
STRAP,RETAINING.
....................
2
5 PAOZZ 5310-00-582-5965 96906 MS35338-44
WASHER,LOCK
1/4.
...................
10
6 PAOZZ 5305-00-068-7837 80204 B1821BH025C063N
SCREW,CAP,HEXAGON H
1/4-20 X 5/8.
..
10
END OF FIGURE
0039 00-1


Back to Top