TM-9-2320-387-24P

TRUCK, UTILITY: S250 SHELTER CARRIER, 4X4, M1113

TECHNICAL MANUAL; UNIT, DIRECT SUPPORT AND GENERAL SUPPORT MAINTENANCE REPAIR PARTS AND SPECIAL TOOLS LIST

MARCH 2002
CHANGE 2

  TM-9-2320-387-24P - Page 284 of 1367

TM9-2320-387-24P C01
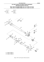
0106 00
(1)
(2)
(3)
(4)
(5)
(6)
(7)
ITEM
SMR
PART
NO
CODE
NSN
CAGEC
NUMBER
DESCRIPTION AND USABLE ON CODES(UOC) QTY
GROUP 0801 POWER TRANSFER,FINAL
DRIVE,PLANETARY OR DROP GEAR BOX
ASSEMBLY
FIG. 105 TRANSFER SHIFT MECHANISMS
1 PAHHH 2520-01-358-8701 76760 16472
SHIFTER FORK.
.......................
1
2 PAHZZ 2520-01-162-8985 34623 5740114
.PAD,FORK,TRANSFER.
.................
2
3 PAHZZ 2590-01-159-8757 34623 5740223
.PAD,FORK.
..........................
1
4 XAHZZ
76760 16473
.FORK.
..............................
1
5 PFHZZ 3040-01-358-8596 76760 16449
SHAFT,STRAIGHT.
.....................
1
6 PAHZZ 2590-01-358-7643 76760 16310
BRACKET,VEHICULAR C.
................
1
7 PAHZZ 2590-01-358-7644 76760 16474
BRACKET,VEHICULAR C.
................
1
8 PAHHH 2520-01-358-8700 76760 17586
SHIFTER FORK.
.......................
1
9 PAHZZ 2520-01-162-8985 34623 5740114
.PAD,FORK,TRANSFER.
.................
2
10 PAHZZ 2520-01-358-8883 76760 15556
.PAD,FORK,TRANSMISSI.
...............
1
11 XAHZZ
76760 17562
.FORK AND SLEEVE.
...................
1
* 12 PAHZZ 5365-01-358-4642 34623 5938630
.SPACER,RING.
.......................
2
13 PAHZZ 5310-01-358-7978 76760 16456
WASHER,SPRING TENSI.
................
1
14 PAHZZ 5360-01-358-6564 34623 5938633
SPRING,HELICAL,COMP.
................
1
15 PAHZZ 3120-01-359-6764 76760 16457
BUSHING,SLEEVE.
.....................
1
16 PAHZZ 5360-01-358-5420 76760 17564
SPRING,HELICAL,COMP.
................
1
17 PAHZZ 5340-01-358-7940 76760 16447
HOLDER,SPRING.
......................
1
18 PAHZZ 5315-00-576-0265 76760 91386
PIN,STRAIGHT,HEADLE.
................
1
END OF FIGURE
0106 00-1


Back to Top