TM-9-2320-434-10

TRUCK, LOAD HANDLING SYSTEM (LHS), 8X8, M1120

TECHNICAL MANUAL; OPERATOR'S MANUAL

JUNE 2009

  TM-9-2320-434-10 - Page 399 of 1324

UNLOADING - Continued
clear of front lift adapter when unlocking front lift adapter lower container
locks as front lift adapter may separate from container unexpectedly.
Failure to comply may result in injury or death to personnel.
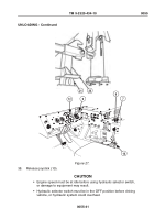
NOTE
There are two front lift adapter lower container locks. Passenger side
shown.
17.
Raise handle lock plate (14), turn handnut (15) counterclockwise to loosen stem (16).


Back to Top