TM-9-2350-253-20P-1

TANK, COMBAT, FULL-TRACKED: 105-MM GUN, M60A3 AND M60A3 TTS HULL

TECHNICAL MANUAL; UNIT MAINTENANCE REPAIR PARTS AND SPECIAL TOOLS LIST

  TM-9-2350-253-20P-1 - Page 155 of 724

SECTION II
TM 9-2350-253-20P-1
(1)
(2)
(3)
(4)
(5)
(6)
ITEM
SMR
PART
NO
CODE FSCM
NUMBER
DESCRIPTION AND USABLE ON CODES (UOC)
QTY
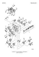
GROUP 0607: INSTRUMENT OR ENGINE
CONTROL PANEL
FIG. 64 HEATER AND STARTER PUSH
BUTTON SWITCHES BRANCHED WIRING
HARNESS COMPONENTS (ASSY P/N
11655747)
1
PAOZZ 19207
7982997
TERMINAL, SOLDERED F (OPTIONAL WITH .
.......................
13
TERMINAL P/N 8338564).
........................................................
1
PAOZZ 19207
E338564
TERMINAL ASSEMBLY (OPTIONAL WITH.
............................
13
TERMINAL P/N 7982997).
........................................................
2
PAOZZ 19207
9338570
WASHER, FLAT .
......................................................................
1
3
PADZZ 19207
8338569
SHELL, HEAD LIGHT CI .
.........................................................
1
5
PAOZZ 19207
8338561
SHELLELECTRICAL CO.
.........................................................
10
6
PAOZZ 81349
M43436/1-1
BAND, MARKER.
......................................................................
16
7
PAOZZ 81349
M13486/1-5
WIRE, ELECTRICAL .
............................................................
V
8
MFFZZ 81349
M13486-1-7
WIRE, ELECTRICAL (MAKE FRON P/N.
..............................
V
M13486-1-7) .
...........................................................................
9
XDOZZ 19207
79S2541
SPLICE, CONDUCTOR.
...........................................................
1
10
PAOZZ 81349
M434436/1-2
BAND, MARKER.
......................................................................
11
PAOZZ 19207
7056677
WIRE, ELECTRICAL .
............................................................
V
12
PAOZZ 81349
M43436/1-2
BAND, MARKER.
......................................................................
1
13
PAOZZ 96906
MS27145-1
CONNECTOR.PLUG.ELE .
.......................................................
1
14
PAOZZ 19207
7971515
CONNECTORIRECEPTACL .
...................................................
1
15
XAOZZ 19207
87C1329
•SHELL, ELECTRICAL CO.
......................................................
1
16
XAOZZ 19207
7971508
•INSERT, ELECTRICAL .
..........................................................
1
17
PAOZZ 19207
7716526
•CONTACT, ELECTRICAL .
......................................................
2
18
PAOZA 19207
7716521
•CONTACT, ELECTRICAL .
......................................................
2
19
PAOZZ 19207
7388351
BUSHING, RUBBER, SLAVE CYLINDER.
...............................
1
ASSE MBLY.
.............................................................................
20
PAOZZ 19207
87241763
NONMETALLIC ROD .
...........................................................
V
21
PAOZZ 19207
7723308
NUT, BUSHING RETAINE.
.......................................................
1
22
PAOZZ 96906
MS27148-2
CONTACT, ELECTRICAL .
.......................................................
1
23
PAOZZ 19207
8338567
WASHER, SLOTTED .
..............................................................
1
24
PAOZZ 19207
8338566
SHELL, ELECTRICAL CO.
.......................................................
1
END OF FIGURE
64-1


Back to Top