TM-9-2350-253-20P-1

TANK, COMBAT, FULL-TRACKED: 105-MM GUN, M60A3 AND M60A3 TTS HULL

TECHNICAL MANUAL; UNIT MAINTENANCE REPAIR PARTS AND SPECIAL TOOLS LIST

  TM-9-2350-253-20P-1 - Page 56 of 724

SECTION II
TM 9-2350-253-20P-1
(1)
(2)
(3)
(4)
(5)
(6)
ITEM
SMR
PART
NO
CODE FSCM
NUMBER
DESCRIPTION AND USABLE ON CODES (UOC)
QTY
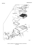
GROUP 0302: FUEL PUMPS
FIG.19 RIGHT FUEL TANK FUEL PUMP
AND RELATED PARTS
1
PAOZZ 19207
11637C79
COVER, ACCESS .
...................................................................
1
2
PAOZZ 96906
MS18154-58
SCREW, CAP, HEXAGON H .
..................................................
5
3
PAOZZ 96906
MS51095-333
SCREW, CAP, HEXAGON H .
..................................................
12
4
PAOZZ 96906
MS27183-12
WASHER, FLAT .
......................................................................
12
5
PAOZZ 19207
1073918
GASKET .
..................................................................................
1
6
PAOZZ 19207
11637078
GASKET .
..................................................................................
1
7
PAOZZ 96906
MS35842-11
CLAMP, HOSE .
........................................................................
2
8
MOOZZ 19207
11591307
HOSE, RUBBER
(MAKE FROM P/N
V
11616326).
................................................................................
9
PAOZZ 19207
1OS46915
PUMP, FUEL, ELECTRICA .
.....................................................
1
10
PAOZZ 19207
11591306
LEAD, ELECTRICAL .
...............................................................
1
11
PAOZZ 96906
MS35650-382
NUT, PLAIN, HEXAGON .
.........................................................
2
12
PAOZZ 96906
MS35333-38
WASHER, LOCK .
.....................................................................
2
13
PAOZZ 96906
MS35207-242
SCREW, MACHINE.
.................................................................
2
14
PAOOO 19207
11637072
COVER ASSEMBLY, FUEL.
.....................................................
1
15
PAOZZ 96906
MS90727-3
SCREW, CAP, HEXAGON H .
..................................................
2
16
PAOZZ 96906
MS3533-44
WASHER, LOCK .
.....................................................................
2
17
PAOZZ 19207
11608045
CLAMP, LOOP.
.........................................................................
1
18
XAOZZ 19207
11637070
BRACKET
(OPTIONAL WITH BRACKET P/
1
N 11658837) .
............................................................................
18
XAOZZ 19207
11637070
BRACKET
(OPTIONAL WITH BRACKET P/
1
N 11637070) .
............................................................................
END OF FIGURE
19-1


Back to Top