TM-9-2350-261-24P

CARRIER, M113A2, M577A2, M1064, M1068, M1059 AND M901A1

TECHNICAL MANUAL; UNIT MAINTENANCE, DIRECT AND GENERAL SUPPORT MAINTENANCE REPAIR PARTS AND SPECIAL TOOLS LIST (INCLUDING DEPOT MAINTENANCE REPAIR PARTS AND SPECIAL TOOLS LIST)

  TM-9-2350-261-24P - Page 794 of 1180

SECTION II
TM 9-2350-261-24P
SECTION II
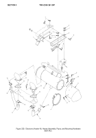
(1)
(2)
(3)
(4)
(5)
(6)
(7)
ITEM
SMR
NSN
PART
DESCRIPTION AND
NO
CAGE
NUMBER
USABLE ON CODE (UOC)
QTY
18
PAOZA
96906 MS27148-2
.CONTACT,ELECTRICAL PART OF KIT P/N
1
10943101.
...........................
UOC:V37,
19
PAOZZ
19207 8338567
.WASHER,SLOTTED PART OF KIT P/N
1
10943101.
...........................
UOC:V37,
20
PAOZZ
19207 8338566
.SHELL,ELECTRICAL CO PART OF KIT P/N
1
10943101.
...........................
UOC:V37,
21
PAOZZ
19207 8338562
.INSULATOR,BUSHING PART OF KIT P/N
1
10943101.
...........................
UOC:V37,
22
PAOZZ
19207 8338561
.SHELL,ELECTRICAL CO PART OF KIT P/N
1
10943101.
...........................
UOC:V37,
23
PAOZZ
19207 8338564
.TERMINAL ASSEMBLY PART OF KIT P/N
1
10943101.
...........................
UOC:V37,
24
PAOZZ
96906 MS45904-69
WASHER,LOCK PART OF KIT P/N 12268872
3
UOC:V37,
25
PAOZZ
96906 MS35206-279
SCREW,MACHINE PART OF KIT P/N
1
12268872.
...........................
UOC:V37,
26
PAOFF
19207 10943136
WIRING HARNESS,BRAN
SEE FIG. 331
1
PART OF KIT P/N 12268872.
...........
UOC:V37,
27
PAOZZ
96906 MS21333-97
CLAMP,LOOP PART OF KIT P/N 12268872.
4
UOC:V37,
END OF FIGURE
330-2


Back to Top