TM-9-2815-202-24P

ENGINES, DIESEL WITH CONTAINERS; MODEL 7083–7391, 7083–7395 AND 7083–7396

TECHNICAL MANUAL; REPAIR PARTS AND SPECIAL TOOLS LIST

JUNE 2003

  TM-9-2815-202-24P - Page 121 of 288

TM 9-2815-202-24P
0034 00
(1)
(2)
(3)
(4)
(5)
(6)
(7)
ITEM
SMR
PART
DESCRIPTION AND USABLE ON
NO.
CODE
NSN
CAGEC NUMBER
CODE(UOC)
QTY
GROUP 0305 SUPERCHARGER,
BLOWER, TUR-
BOCHARGER OR ALTI-
TUDE COMPENSATOR
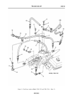
FIGURE 33. AIR INLET HOUSING
(USED ON MODEL 7083–7391)
1
PAFZZ
19207
12368974
HOUSING,AIR INTAKE,
UOC:G8V.
..........................................................
1
2
PAFZZ
96906
MS35338-47
WASHER,LOCK
UOC:G8V.
..........................................................
12
3
PAFZZ
96906
MS90725-97
SCREW,CAP,HEXAGON H 7/16-14UNC-
2AX3-1/2 GR5
UOC:G8V.
..........................................................
12
4
PAFZZ
72582
23506396
SEAL RING,METAL
UOC:G8V.
..........................................................
2
5
PAFZZ
72582
23506392
PISTON,VALVE
UOC:G8V.
..........................................................
2
6
PAFZZ
72582
23506393
SPRING,HELICAL,COMP
UOC:G8V.
..........................................................
2
7
PAFZZ
72582
23506395
GASKET
UOC:G8V.
..........................................................
2
8
PAFZZ
72582
23506394
COVER,ACCESS
UOC:G8V.
..........................................................
2
9
PAFZZ
96906
MS35338-44
WASHER,LOCK
UOC:G8V.
..........................................................
8
10
PAFZZ
96906
MS90725-6
SCREW,CAP,HEXAGON H
1/4-20UNC-2AX3/ 4 GR5
UOC:G8V.
..........................................................
8
11
PAFZZ
72582
8924802
ELBOW,HOSE
UOC:G8V.
..........................................................
2
12
PAFZZ
72582
8924968
CLAMP,HOSE
UOC:G8V.
..........................................................
4
13
PAFZZ
72582
23506390
HOSE,NONMETALLIC
UOC:G8V.
..........................................................
2
14
PAFZZ
72582
23506772
ELBOW,PIPE TO HOSE
UOC:G8V.
..........................................................
2
15
PAFZZ
72582
8927979
CLAMP,HOSE
UOC:G8V.
..........................................................
4
0034 00-2


Back to Top