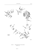
TM-9-2815-220-24P

AVDS-1790 2CA, 2DA and 2DR Air-Cooled 12-Cylinder Diesel Engines

TECHNICAL MANUAL; ORGANIZATIONAL, DIRECT, AND GENERAL SUPPORT REPAIR PARTS AND SPECIAL TOOLS LIST (INCLUDING DEPOT MAINTENANCE REPAIR PARTS) FOR AVDS-1790 2CA, 2DA and 2DR Air-Cooled 12-Cylinder Diesel Engines

  TM-9-2815-220-24P - Page 177 of 455



Back to Top