TM-9-2815-220-34P

ENGINE WITH CONTAINER; TURBOSUPERCHARGED ,DIESEL, FUEL INJECTION, 90-DEGREE. TYPE, AIR-COOLED, 12-CYLINDER, ASSEMBLY;MODELS AVDS-1790-2DR

TECHNICAL MANUAL; DIRECT SUPPORT AND GENERAL SUPPORT MAINTENANCE REPAIR PARTS AND SPECIAL TOOLS LISTS

  TM-9-2815-220-34P - Page 192 of 415

SECTION II
TM9-2815-220-34P
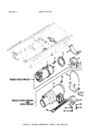
(1)
(2)
(3)
(4)
(5)
(6)
ITEM
SMR
PART
NO
CODE
CAGEC
NUMBER
DESCRIPTION AND USABLE ON CODES(UOC)
QTY
19
PAHZZ
21335
5208
BEARING,BALL,ANNULA FAN DRIVE
1
DRIVEN BEVEL GEARSHAFT
20
PAHZZ
19207
8682455
SHIM FAN DRIVE DRIVEN BEVEL
2
GEARSHAFT (1) FAN DRIVE BEVEL
GEARSHAFT (1)
21
KFHZZ
19207
8682684
GEARSHAFT,BEVEL FAN DRIVE DRIVEN
1
PART OF KIT P/N 5702621
22
KFHZZ
19207
8682553
GEARSHAFT,BEVEL FAN DRIVE,FORWARD
1
PART OF KIT P/N 5702621
23
PAHZZ
19207
8725226
BRACKET,EYE,ROTATIN GEARSHAFT,REAR
1
24
PFHHH
19207
8761155-1
HOUSING,MECHANICAL FAN DRIVE,
1
FORWARD
25
PAHZZ
96906
MS21209F6-20
INSERT,SCREW THREAD FAN DRIVE
2
HOUSING BASE,FORWARD
26
PAHZZ
19207
7744795
STUD,PLAIN 0.003 OVERSIZE,FAN
8
DRIVE HOUSING BASE TO HOUSING,
FORWARD
26
PAHZZ
19207
7744605
STUD,PLAIN 0.007 OVERSIZE,FAN
8
DRIVE HOUSING BASE TO HOUSING,
FORWARD
27
XAHZZ
19207
8761051
BASE,FAN DRIVE HOUS FORWARD
1
28
PAHZZ
19207
8761203
STUD,PLAIN 0.003 OVERSIZE,FAN
2
DRIVE HOUSING BASE TO HOUSING,
FORWARD
28
PAHZZ
19207
8761204
STUD,PLAIN 0.007 OVERSIZE,FAN
2
DRIVE HOUSING BASE TO HOUSING,
FORWARD
29
PAHZZ
96906
MS28775-112
PACKING,PREFORMED CRANKCASE TO FAN
1
DRIVE BASE OIL TRANSFER TUBE,FORWARD
PART OF KIT P/N 5704488
30
PAHZZ
96906
MS90727-62
SCREW,CAP,HEXAGON H FAN DRIVE
2
HOUSING BASE ASSEMBLY
31
PAHZZ
96906
MS24665-134
PIN,COTTER
14
32
PAHZZ
96906
MS35692-21
NUT,PLAIN,SLOTTED H FAN DRIVE
14
HOUSING BASE ASSEMBLY (10) FAN
DRIVE GEARSHAFT BEARING SUPPORT (4)
33
PFHZZ
19207
8725227
HOUSING, BEARING UN
1
34
PAHZZ
21335
208K
BEARING,BALL,ANNULA FAN DRIVE
1
BEVEL GEARSHAFT,FORWARD
35
PAHZZ
96906
MS90727-32
BOLT,MACHINE FAN DRIVE BEVEL
1
GEARSHAFT
36
PAHZZ
28839
501868
WASHER,KEY FAN DRIVE BEVEL
1
GEARSHAFT
37
PAHZZ
19207
8761390
PLATE,RETAINING,BEA FAN DRIVE
1
BEVEL GEARSHIFT
38
PAHZZ
96906
MS21044N6
NUT,SELF-LOCKING,HE COOLING FAN
10
DRIVE HOUSING ASSEMBLY
END OF FIGURE
54-2


Back to Top