TM-9-2815-225-34-P

ENGINE, DIESEL: 6 CYLINDER IN-LINE TURBOCHARGED, CUMMINS MODEL NTC-400

TECHNICAL MANUAL; DIRECT SUPPORT AND GENERAL SUPPORT MAINTENANCE MANUAL INCLUDING REPAIR PARTS AND SPECIAL TOOLS LIST

JULY 2005

  TM-9-2815-225-34-P - Page 540 of 736

TM 9-2815-225-34&P
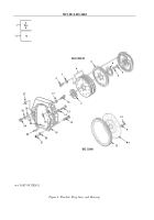
Figure 8. Rocker Arm Assembly.
1
2
thru
30
2
3
thru
5
6
7
thru
11
12
13
thru
15
16
17
thru
19
20
21
thru
23
a
PART OF ITEM 2
b
PART OF ITEM 6
c
PART OF ITEM 12
d
PART OF ITEM 16
e
PART OF ITEM 20
23
9
19
15
9
5
32
e
b
d
c
b
a
26
31
22
21
8
7
17
18
8
14
7
13
11
4
3
27
24
25
28
29
30
11
10
10
10
10
10
10


Back to Top