TM-9-2320-283-20-1

TRUCK TRACTOR, LINE HAUL, 50,000 GVWR, 6X4, M915A1

TECHNICAL MANUAL; ORGANIZATIONAL MAINTENANCE PART 1 OF 3

DECEMBER 1983

  TM-9-2320-283-20-1 - Page 94 of 926

TM 9-2320-283-20-1
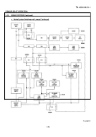
PRINCIPLES OF OPERATION.
1-20.
BRAKE SYSTEM (Continued).
b.
Brake System Components (Continued).
(7)
Parking Brake Valve.
Normally supplies air pressure holding spring brakes in compressed position.
When knob is pulled out, air
pressure is exhausted, allowing spring brakes to apply.
(8)
Trailer Hand Control Brake Valve.
Applies trailer brakes only.
Opens connections between air supply reservoir and trailer service brake lines as
handle is turned clockwise.
TA 236792
1-73


Back to Top