TB-9-2320-280-35-14

TECHNICAL BULLETIN

INSTALLATION INSTRUCTIONS FOR SINGLE CHANNEL GROUND AND AIRBORNE RADIO SYSTEM (SINCGARS) AN/VRC-88F, AN/VRC-89F, AN/VRC-90F, AN/VRC-91F, AN/VRC-92F

SEPTEMBER 2006

  TB-9-2320-280-35-14 - Page 105 of 148

5-83
TB 9-2320-280-35-14
NOTE
Perform step 28-10 only if not installing cargo soft-top enclosure;
otherwise, start with step 28-11.
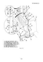
28-10.
Install antenna (33) and gasket (32) on antenna mount assembly (16) with four capscrews (26),
eight lockwashers (27), and four nuts (28).
NOTE
Perform steps 28-11 and 28-12 only when installing cargo soft-top
enclosure.
28-11.
Install cargo soft-top enclosure (34). (Refer to TM 9-2320-280-10.)
NOTE
Ensure all slack has been taken out of cargo soft-top enclosure, and
that cargo soft-top enclosure has been properly installed.
28-12.
Using antenna (33) as template, locate, mark, and drill four 0.375-in. holes (35) and cut “X” (36) in
cargo soft-top enclosure (34).
28-13.
Install antenna (33) and gasket (32) on antenna mount assembly (16) and cargo soft-top
enclosure (34) with four capscrews (26), eight lockwashers (27), and four nuts (28), ensuring that
ground strap (29) is inserted through cut hole (36).
28-14.
Install ground strap (29) on antenna mount assembly (16) with screw (31), three lockwashers (30),
and nut (21).
28-15.
Tighten nuts (21) and (28).
30
31
16
32
33
26
27
28
27
29
21
Figure 5-102.
30
21. NUT – 9419143 – QTY. 1
26. CAPSCREW – B1821BH038C150N – QTY. 4
27. LOCKWASHER – MS45904-76 – QTY. 8
28. NUT – 13218E0320-293 – QTY. 4
29. GROUND STRAP
• BRAIDED WIRE – AA59569F30T0375 – QTY. A/R
• TERMINAL LUG – MS20659-141 – QTY. 2
30. LOCKWASHER – MS45904-68 – QTY. 3
31. CAPSCREW – B1821BH025C075N – QTY. 1
32. GASKET – A3013655-1 – QTY. 1
33. ANTENNA – A3005031 – QTY. 1
26
27
32
33
36
29
28
27
34
35
~


Back to Top