TM-5-2350-262-20-3

ARMORED COMBAT EARTHMOVER (ACE), M9

TECHNICAL MANUAL; UNIT MAINTENANCE MANUAL; VOLUME 3 OF 3; HYDRAULIC TROUBLESHOOTING TEST PROCEDURES

  TM-5-2350-262-20-3 - Page 236 of 319

3-201
TM 5-2350-262-20-3
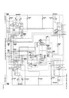
DRIVER CONTROL SCHEMATIC
COMPONENTS (continued):
16.
NO. 1 ACTUTAOR, LEFT HAND
17.
BUMP STOP CYLINDERS
18.
FORWARD MANIFOLDS
19.
CHECK VALVE
20.
MAIN MANIFOLD, LEFT HAND
21.
MAIN MANIFOLD, RIGHT HAND
22.
NO. 1 ACTUATOR, RIGHT HAND
23.
NO. 2 ACTUATOR, RIGHT HAND
24.
COMPENSATING PUMP
25.
NO. 3
ACTUATOR, RIGHT HAND
26.
MAIN HYDRAULIC PUMP
27.
NO. 4 ACTUATOR, RIGHT HAND
HIGH-PRESSURE
CIRCUIT
SUPPLY
BILGE PUMP CONTROL VALVE
1500 PSI
4000 PSI
4500 PSI
2000
PSI
3500
PSI
2000
PSI
2000
PSI
3500
PSI
4000
PSI
APRON CONTROL
VALVE
FRONT WHEEL
CONTROL VALVE
(LEFT HAND)
HIGH-PRESSURE LINE
FILTERS
RETURN LINE
FILTER
COMPENSATING
PUMP
HYDRAULIC
RESERVOIR
MAIN HYDRAULIC
PUMP
FRONT WHEEL
CONTROL VALVE
(RIGHT HAND)
WINCH CONTROL
VALVE
EJECTOR
CONTROL
VALVE


Back to Top