TM-9-2320-260-34-2

TRUCK, 5-TON, 6X6, M809 SERIES (DIESEL)

TECHNICAL MANUAL; DIRECT SUPPORT AND GENERAL SUPPORT MAINTENANCE; VOLUME 2 OF 2

JULY 1994

  TM-9-2320-260-34-2 - Page 502 of 863

TM 9-2320-260-34-2
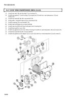
16-17. HOIST WINCH MAINTENANCE (M816) (Contd)
e. Installation
1. Install chain on hoist winch (27) and attach to lifting device.
WARNING
All personnel must stand clear during lifting operations.
A swinging or shifting load may cause injury to personnel.
Ensure lifting capacity is greater than weight (400 lb (182 kg))
of hoist winch. Failure to do so may result in injury to personnel
or damage to equipment.
NOTE
Assistant will help with steps 2 and 3.
2. Raise hoist winch (27) and position on boom (24).
3.
Install hoist winch (27) on boom (24) with twelve new lockwashers (25) and screws (26).
FOLLOW-ON TASKS:
Install hoist level wind (para. 16-16).
Install hoist winch motor (para. 16-15).
Install floodlight wiring harness (TM 9-2320-260-20).
Fill gear reducer and hoist winch gearcase with gear oil
(LO
9-2320-260-12).
Start engine and check hoist winch operation (TM 9-2320-260-10).
Install hoist winch cable (TM 9-2320-260-20).
16-103


Back to Top