TM-9-2320-387-24-2

TRUCK, UTILITY: S250 SHELTER CARRIER, 4X4, M1113

TECHNICAL MANUAL; UNIT, DIRECT SUPPORT AND GENERAL SUPPORT MAINTENANCE, VOLUME 2

DECEMBER 1997
CHANGE 1

  TM-9-2320-387-24-2 - Page 275 of 1555

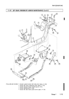
11-36.1. LEFT FRONT UNDERBODY ARMOR INSTALLATION (Cont’d)
TM 9-2320-387-24-2
Change 1
11-69
3
3
3
4
2
2
4
5
7
8
9
10
6
6
6
FOLLOW-ON TASKS: • Install left front cowl insulation (para. 11-31).
• Install engine access cover (para. 10-22).
• Install tunnel insulation (para. 10-33).
• Install steering wheel lock (para. 10-48).
• Install accelerator linkage (para. 3-43).
• Lower and secure hood (TM 9-2320-387-10).
INNER LINER INSTALLATION
OUTER LINER INSTALLATION
3
3
2
2
2
2
2
2
11
6
6
6
3
4
5
7
8
9
4


Back to Top