TM-9-2350-277-20-1

CARRIER M113A3, M577A3, M1059A3, M1064A3, M1068A3 AND M58

TECHNICAL MANUAL; UNIT MAINTENANCE MANUAL VOLUME 1 OF 6

  TM-9-2350-277-20-1 - Page 344 of 855

TM 9-2350-277-20-1
TRANS FILTER CLOGGED INDICATOR MALFUNCTIONS — Continued
0059 00
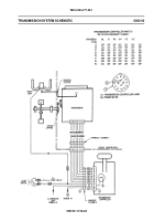
5Y
1.
Remove harness 12349813 circuit 323 plug (1) from cable
assembly 12349858 circuit 323 jack (2).
2.
Measure resistance between harness 12349813 circuit
323 plug pin (1) and ground.
3.
Does multimeter read more than 0 ohms?
5YN
1.
Remove jumper wire and install
harness 12349813 plug on pressure
differential switch jack.
2.
Replace cable assembly 12349858
circuit 323 (WP 0290 00).
3.
Verify no faults found.
6Y
1.
Remove harness 12349810 plug (1) from harness 12349813
jack (2) at carrier bulkhead.
2.
Measure resistance between harness 12349810 plug
(1) pin J (3) and ground.
3.
Does multimeter read 0 ohms?
6YN
1.
Install harness 12349813 circuit
323/27R plug on TRANS FILTER
CLOGGED indicator jack.
2.
Install harness 12349813 circuit 323
plug on cable assembly 12349858
circuit 323 jack.
3.
Remove jumper wire and replace
harness 12349810 circuit 323
(WP 0360 00).
4.
Verify no faults found.
005900-3
Change 5


Back to Top