TM-9-2320-260-34-1

TRUCK, 5-TON, 6X6, M809 SERIES (DIESEL)

TECHNICAL MANUAL; DIRECT SUPPORT AND GENERAL SUPPORT MAINTENANCE; VOLUME 1 OF 2

JULY 1994

  TM-9-2320-260-34-1 - Page 242 of 657

TM 9-2320-240-34-1
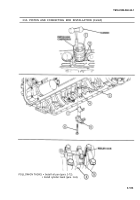
3-58. FLYWHEEL HOUSING INSTALLATION (Contd)
7.
8.
9.
10.
11.
12.
13.
Turn crankshaft (2) until dial indicator points to 12 o’clock. Zero dial indicator.
Turn crankshaft (2) clockwise one rotation. Record highest reading.
Turn crankshaft (2) until dial indicator is at the point where highest reading occurred. Set dial
indicator to 1/2 highest reading.
Using a soft-head hammer, tap on flywheel housing (3) until dial indicator reads zero. Loosen
screws (1) slightly if necessary. Finger tighten screws (1) when finished.
Rotate crankshaft (2) once and observe dial indicator. Flywheel housing (3) is horizontally and
vertically alined if dial indicator reads 0.008 in. (0.20 mm) or less through full rotation.
Remove dial indicator and dial indicator attachment from crankshaft (2).
Tighten screws (1) 140-160 lb-ft (190-217 N•m) in sequence.
FOLLOW-ON TASK: Install flywheel and clutch (para. 3-59).
3-190


Back to Top