TM-9-2320-260-34-2

TRUCK, 5-TON, 6X6, M809 SERIES (DIESEL)

TECHNICAL MANUAL; DIRECT SUPPORT AND GENERAL SUPPORT MAINTENANCE; VOLUME 2 OF 2

JULY 1994

  TM-9-2320-260-34-2 - Page 538 of 863

TM 9-2320-260-34-2
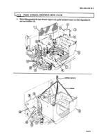
16-23. HOIST HYDRAULIC WINCH MOTOR REPLACEMENT (M816) (Contd)
NOTE
Perform step 3 if hydraulic winch motor is being replaced with a
new unit.
2. Wrap male threads of two elbows (4) and hoses (3) with antiseize tape.
3. Install elbows (4) on hydraulic winch motor (9).
4. Install new woodruff key (7) on shaft (8).
NOTE
Assistant will help with step 5.
5. Install new gasket (6) and hydraulic winch motor (9) on flange (5) with four new lockwashers (2)
and screws (1).
6. Remove chain from hydraulic winch motor (9) and lifting device.
7. Install hoses (3) on elbows (4).
FOLLOW-ON TASKS:
Fill hydraulic oil reservoir (LO 9-2320-260-12).
Start engine and inspect for hydraulic leaks (TM 9-2320-260-10).
Check crane operation (TM 9-2320-260-10).
16-139


Back to Top