TM-9-2320-272-23-2

TRUCK, 5-TON, 6X6, M939, M939A1, AND M939A2 SERIES TRUCKS (DIESEL)

TECHNICAL MANUAL; FIELD MAINTENANCE MANUAL; VOLUME 2 OF 5

SEPTEMBER 2012

  TM-9-2320-272-23-2 - Page 555 of 1417

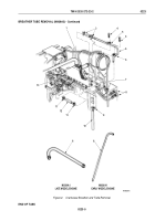
INSTALLATION - Continued
6.
Install surge tank assembly (Figure 6, Item 2) on exhaust manifold (Figure 6, Item 9) with two screws
(Figure
6,
Item
3). Tighten screws 50 to 55 lb-ft (68 to 75 N·m).
7.
Install surge tank assembly (Figure 6, Item 2) on angle support bracket (Figure 6, Item 8) with screw
(Figure
6,
Item
1) and nut (Figure 6, Item 7). Tighten screw 35 to 40 lb-ft (47 to 54 N·m).
8.
Install hoses (Figure 6, Items 4, 5, 10, and 12) on surge tank assembly (Figure 6, Item 2) and tighten clamps
(Figure 6, Items 6, 11, and 13).
TM 9-2320-272-23-2
0222
0222-12


Back to Top