TM-9-2350-277-24P

CARRIER M113A3, M577A3, M1059A3, M1064A3, M1068A3 AND M58

TECHNICAL MANUAL; UNIT, DIRECT SUPPORT, AND GENERAL SUPPORT MAINTENANCE REPAIR PARTS AND SPECIAL TOOLS LIST (INCLUDING DEPOT MAINTENANCE REPAIR PARTS AND SPECIAL TOOLS LIST)

  TM-9-2350-277-24P - Page 960 of 1252

SECTION II
TM 9-2350-277-24P
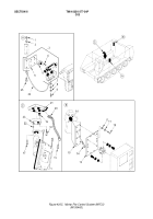
Figure 403.
Patch Panel Box Assembly
(M1068A3)
.
* COMPONENT OF ITEM


Back to Top