TB-9-2920-225-34-1

100 AMP REGULATOR

TECHNICAL BULLETIN; CHECKOUT AND REPAIR PROCEDURES

NOVEMBER 1981

  TB-9-2920-225-34-1 - Page 49 of 70

TB 9-2920-225-34-1
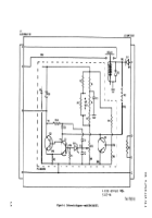
Figure 3-10.
Circuit board model 5027RC.
3-12


Back to Top