TM-9-2320-260-34-1

TRUCK, 5-TON, 6X6, M809 SERIES (DIESEL)

TECHNICAL MANUAL; DIRECT SUPPORT AND GENERAL SUPPORT MAINTENANCE; VOLUME 1 OF 2

JULY 1994

  TM-9-2320-260-34-1 - Page 176 of 657

3-124
3-124
TM 9-2320-240-34-1
3-42. FLYWHEEL AND CLUTCH REMOVAL
THIS TASK COVERS:
Removal
INITIAL SETUP
APPLICABLE MODELS
All
REFERENCES (TM)
TM 9-2320-260-34P-1
TOOLS
EQUIPMENT CONDITION
General mechanic’s tool kit
Engine mounted on repair stand (para. 3-29).
(Appendix B, Item 1)
Two dowel pins (Appendix E, Figure E-1)
GENERAL SAFETY INSTRUCTIONS
Flywheel is heavy. Use care when removing
flywheel.
1.
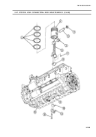
Remove twelve screws (8), lockwashers (9), pressure plate (1), and clutch disk (2) from flywheel (5).
Discard lockwashers (9).
2.
Remove six screws (6) and washers (7) from flywheel (5).
3. Install two dowel pins (10) on crankshaft (3) to support flywheel (5) during removal.
WARNING
Flywheel is heavy. Use care when removing flywheel. Failure to do
so may result in injury to personnel.
NOTE
Assistant will help with step 4.
4.
Install two screws (11) in flywheel puller holes (4) and tighten screws (11) alternately to push
flywheel (5) from crankshaft (3). Lift flywheel (5) from dowel pins (10).
5. Remove two dowel pins ( 10) from crankshaft (3).
6. Remove two screws ( 11) from flywheel puller holes (4).


Back to Top