TM-9-2320-283-34-2

TRUCK TRACTOR, LINE HAUL, 50,000 GVWR, 6X4, MQ15A1

TECHNICAL MANUAL; DIRECT SUPPORT AND GENERAL SUPPORT MAINTENANCE

DECEMBER 1983

  TM-9-2320-283-34-2 - Page 151 of 570

TM 9-2320-283-34-2
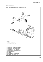
REAR TANDEM AXLES.
3-76. REAR-REAR AXLE CARRIER REPAIR (Continued).
LEGEND:
4. FLANGED CASE HALF
6. DIFFERENTIAL BEARING CONE
22. OIL SEAL
23. PINION BEARING CONE (2)
25. PINION BEARING CUP (2)
26. PINION BEARING CAGE
28. PINION BEARING SPACER
32. DRIVE PINION
34. PINION PILOT BEARING
TA 238402
3-707


Back to Top